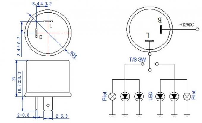
Yamaha Motorcycle Led Flasher 2 Pins , 12 Volt Turn Signal Flasher 23 Watt Wholesale

Home / Product / Motorcycle LED Flasher / Yamaha Motorcycle Led Flasher 2 Pins , 12 Volt Turn Signal Flasher 23 Watt
About Us
Zhejiang Hui You Auto Parts Co., Ltd.
As Yamaha Motorcycle Led Flasher 2 Pins , 12 Volt Turn Signal Flasher 23 Watt Suppliers and Yamaha Motorcycle Led Flasher 2 Pins , 12 Volt Turn Signal Flasher 23 Watt Company, Zhejiang Huiyou Auto Parts Co., Ltd., founded in 2009, is dedicated to continuous research and innovation, adhering to a customer-oriented approach. We are committed to serving global customers. Our company mainly produces various automotive electronic components, including automotive relays, automotive light flashers, automotive switches, and more. Our products are sold worldwide and have received praise from numerous customers.
We always adhere to a people-oriented approach, with the goal of producing refined and specialized products. Today, we have a professional team, advanced production equipment, and testing instruments. Ensuring product quality is our basic requirement, and mutual development is our ultimate goal.
Thanks to the efforts of all Huiyou employees, the support of colleagues from various industries, and the help of our customers, Huiyou is steadily building the Huiyou brand and MIROTE.
Huiyou's professional engineering team is always available to provide you with a complete set of comprehensive solutions. We look forward to becoming your trusted partner!
Certificate Of Honor
News
  • The following is an introduction to the role of automobile relays:   1.Similar to the function of general relays, automobile relays act as "switches" in the electrical automation industry. They control the on/off status of a circuit, which in turn controls the...

    READ MORE
  • According to the Research Report on China's Electromagnetic Relay Market Competition, due to the impact of trade friction and COVID-19, the global relay market size declined slightly in 2019 and 2020. However, with the recovery in 2021, the relay market is exp...

    READ MORE
  • Automotive Relays: Commonly Used Types and Testing Methods Automotive Relays Professional Knowledge - Dry Goods   First, the commonly used automotive relay is the 4-pin normally open relay. Less commonly used relays include three-legged relays (such as flasher...

    READ MORE
  • If the relay of the car is broken, it will to the following conditions:   1.Faulty starting line: The starting line may have a break, poor contact, or loose wires. 2.Power failure: Battery power shortage, plate vulcanization causing a short circuit, poor conne...

    READ MORE
Message Feedback